Skip to content
Check out our "How to Buy" page to place your order
Check out our "How to Buy" page to place your order

SM2 M03 010 RCA - Stepped Micro M2 CMM Stylus 0.3mm Ruby Ball, 10mm Tungsten Carbide Stem, EWL 5mm

Original price CAD$115.00 - Original price CAD$115.00
Original price
CAD$115.00
CAD$115.00 - CAD$115.00
Current price CAD$115.00
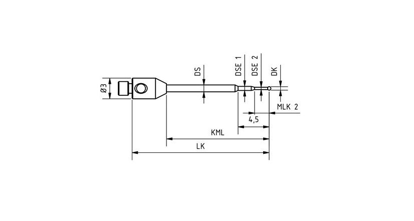
  • Thread Size: M2
  • Ball Size: 0.3 mm Ball
  • Ball Material: Ruby
  • Stem Length: 10 mm
  • Stem Material: Tungsten Carbide
  • Effective Working Length: 5 mm
  • DK: 0.3 mm
  • LK: 10 mm
  • KML: 5 mm
  • MLK: 4.5 / 1.1 mm
  • DS: 1 mm
  • DSE1/2: 0.5 / 0.23 mm