Skip to content
Check out our "How to Buy" page to place your order
Check out our "How to Buy" page to place your order

SM2 M05 020 RCA - Stepped Micro M2 CMM Stylus 0.5mm Ruby Ball, 20mm Tungsten Carbide Stem, 15mm EWL

Original price CAD$99.00 - Original price CAD$99.00
Original price
CAD$99.00
CAD$99.00 - CAD$99.00
Current price CAD$99.00
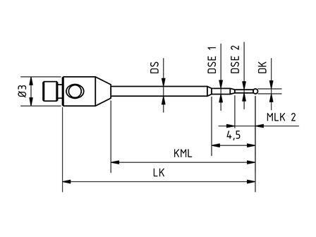
  • Thread Size: M2
  • Ball Size: 0.5 mm Ball
  • Ball Material: Ruby
  • Stem Length: 20 mm
  • Stem Material: Tungsten Carbide
  • Effective Working Length: 15 mm
  • DK: 0.5 mm
  •  20 mm
  •  15 mm
  •  4.5/2.3 mm
  •  1 mm
  •  0.6 / 0.32 mm
 Equivalent to:
  • Zeiss 626112-0052-020
  • Renishaw A-5003-1345
  • QMark TM2-0520-R
  • ITP TH M2 005 03 020