Skip to content
Check out our "How to Buy" page to place your order
Check out our "How to Buy" page to place your order

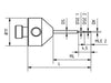
SM5 M05 025 RCA - Stepped Micro M5 CMM Stylus, 0.5mm Ruby Ball, 25mm Tungsten Carbide Stem, 15mm EWL

Original price CAD$94.00 - Original price CAD$94.00
Original price
CAD$94.00
CAD$94.00 - CAD$94.00
Current price CAD$94.00
  • Thread Size: M5
  • Ball Size: 0.5 mm Ball
  • Ball Material: Ruby
  • Stem Length: 25 mm
  • Stem Material: Tungsten Carbide
  • Effective Working Length: 15 mm
  • DK: 0.5 mm
  •  1 mm
  • DSE1/2: 0.6/0.32 mm
  • L: 25 mm
  • ML: 15 mm
  • MLE1/2: 4.5/2.6 mm

Equivalent to:

  • Zeiss 626115-0050-022
  • QMark AFG-0525-R
  • ITP NH M5 005 11 022